MRG 651 spoelbak, reversibel, voor in de keuken
- kleur matzwart
- materiaal Fragranit+
- variabel afdruipgedeelte, kan links of rechts worden geplaatst
- geschikt voor bovenmontage
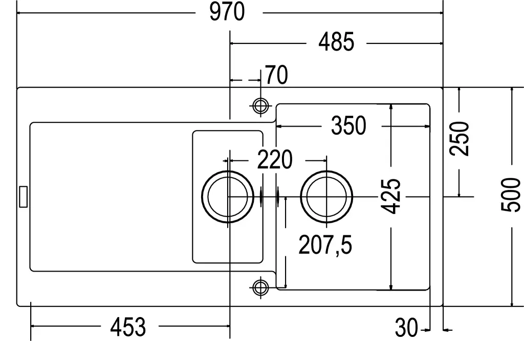
- afmetingen: 970 x 500 mm
- uitsnede: 950 x 480 mm
- 2 spoelbakken: 350 x 425 x 200 mm
- 160 x 302 x 130 mm
- onderkast vanaf 600 mm
De prijs is inclusief:
- draaibaar afvoerzeef 3 1/2″ met overloop
- korfplug 3 1/2″
- ruimtebesparende sifon 6/4″ met aftakking voor vaatwasser
Dit product kan bij u zonder originele verpakking geleverd worden. De reden is bescherming van product tegen eventuele schade tijdens transport.














Beoordelingen
Er zijn nog geen beoordelingen.